Négy tekós CAD-CAM informatikus tanuló vett részt a Charles Babbage Országos AutoCad és Inventor versenyen.
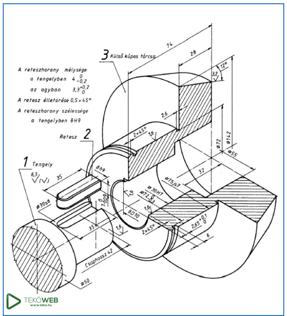
A versenyzőknek négy feladatot kellett megoldaniuk 3D tervező program segítségével. A megadott műhelyrajzok alapján a 3D testmodelt, illetve a hozzá tartozó műhelyrajzot készítették el. A 4. feladatban egy kúpos tengelykapcsoló-részlet alapján meg kellett rajzolni az alkatrészek 3D testmodeljét, összeállítani a szerkezetet és elkészíteni az összeállítási rajzát a szükséges nézetek, metszetek alkalmazásával.


Az első fordulóban maximális 60 pontból Kozla Dávid 59 pontot, Kőműves Sándor 48 pontot, Muhel Nimród 53 pontot és Szabó Dominika 54,5 pontot ért el.
A továbbjutás feltétele 57 pont volt, melyet Kozla Dávid elért, ezzel bejutott a verseny döntőjébe.


